Схема зажигания ока Огромное количество различных устройств и деталей используются для обеспечения нормального запуска двигателя в любую погоду. Однако они объединены в одну систему. зажигание (СЗ). Вы узнаете…
Система зажигания
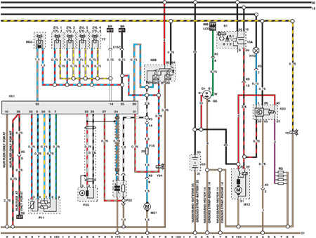
Опель омега а 1988г с20не модуль зажигания вместо распределителя Взаимозаменяемые запчасти на Опель Омега А (Opel Omega A) C20NE — бортжурнал Opel Omega A C20NE Motronic ML 4.1…
Изготовление чип-ключей для автомобиля – восстанавливаем правильно Практически в каждом современном автомобиле, который был выпущен после 1995 года, есть чип-ключ. Этот чип называется иммобилайзером и предназначен для сохранения…
Как выставить зажигание на ваз 2114 инжектор Ваз 2114 плохой запуск на холодную. почему может плохо заводиться Почему-то кажется, что многих водителей этой модели, заинтересует вопрос, почему плохо…
Как поставить зажигание на фольксваген пассат б3. Как выставить зажигание на фольксваген пассат б3 нужно очень срочно Здравствуйте! У меня Volkswagen Passat (Фольксваген Пассат) B3. При повороте ключа…
Иж Ода | Замена замка зажигания | DEFAULT Замыкание контактов замок зажигания иж ода 2126 зажигания при различных положениях ключа и включаемые цепи приведены в таблице. Независимо от…
Установка бесконтактного электронного зажигания на автомобили ВАЗ-2101 — 2107, Классика. Как на ваз 2106 поставить электронное зажигание Правильно работающая система зажигания – это залог надежной работы двигателя и…
Как снять замок зажигания Рено Логан Система зажигания абсолютно любого авто включает в качестве составных элементов замок зажигания, свечи зажигания (их такое же количество как и цилиндров), катушку…
Способы проведения грамотной буксировки автомобилей. Правила буксировки грузовых машин на жесткой сцепке Транспортировка прицепов и других транспортных средств с помощью автомобиля имеет определенные особенности. В частности, авто с…
Стробоскоп для установки зажигания своими руками Стробоскоп значительно облегчает жизнь своему владельцу. С помощью него водитель с любым уровнем опыта самостоятельно отрегулирует угол зажигания. Работает устройство за счет…